Serie 25 ist in begrenzter Stückzahl ab Lager lieferbar. Der Produktsupport und die Lagerhaltung werden seit 2012 eingeschränkt. Bei Fragen dazu wenden Sie sich bitte an Ihren igus-Ansprechpartner. Vielen Dank für Ihr Verständnis
AUSLAUFMODELL
Wir empfehlen für Neukonstruktionen die technisch optimierte e-ketten®-Serie E2.26 aus dem igus® E2.1 Programm.
sicherer Halt der Öffnungsstege, verbessertes Öffnungsprinzip, größere freitragende Längen, gleiche Abmessungen
zur Serie E2.26
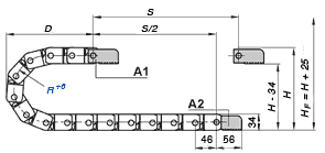
A=Mitnehmer, B=Festpunkt
Teilung 46 mm
Glieder pro m: 22
Verfahrweg: S
Kettenlänge = S/2 + K
K = Zugschlag für Biegeradius bei der e-ketten Längenberechnung in mm
Hinweis: Kettenlänge für die Kettenglieder wird aufgerundet, da es keine halben Glieder gibt.