AUSLAUFMODELL
Wir empfehlen für Neukonstruktionen die technisch optimierte e-ketten®-Serie E2.48 aus dem igus® E2.1 Programm.
sicherer Halt der Öffnungsstege, verbessertes Öffnungsprinzip, größere freitragende Längen, gleiche Abmessungen
Serie 350 ist in begrenzter Stückzahl ab Lager lieferbar.
Bei Fragen dazu wenden Sie sich bitte an Ihren igus®-Ansprechpartner. Vielen Dank für Ihr Verständnis
zur Serie E2.48
Serie 350 - Kette, im Außenradius aufklappbar
1. Große Bolzen - lange Lebensdauer
2. Leitungsschonender Innenraum
3. Schmutzabweisend
4. Gleitflächen für Betrieb "auf der Seite"
5. Einführschräge-leichte Montage
6. Doppeltes Anschlagsystem
7. Zugentlastung integrierbar
8. 340+350 kombinierbar
Lieferbare Innenbreiten Bi: 50 bis 250 mm
Lieferbare Biegeradien R: 75 bis 300 mm
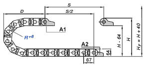
Teilung: 67 mm je Glied = 15 Glieder/m
A = Mitnehmer, B = Festpunkt
Teilung: 67 mm
Glieder pro m: 15
Verfahrweg: S
Kettenlänge = S/2 + K
K = Zugschlag für Biegeradius bei der e-ketten Längenberechnung in mm
Hinweis: Kettenlänge für die Kettenglieder wird aufgerundet, da es keine halben Glieder gibt.